+ 49 699 501 96 08
shop24@jazgot.at
Anmelden
Anzahl Produkte 0
Preis: 0,00 €
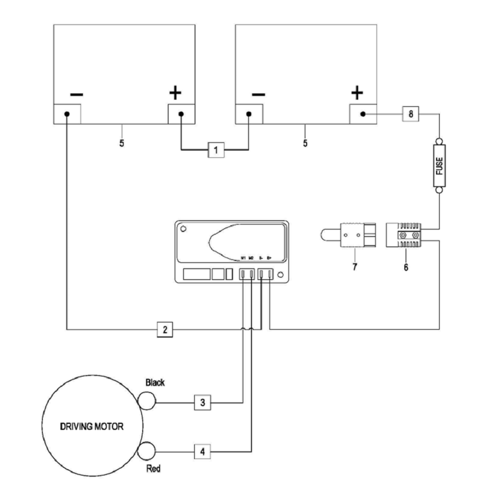
EPT20-15,18EHJ Inhaltsverzeichnis einzelrad Lastrolle (Doppelrolle) antriebsrad kabelbaum kabelkonfektion einzelrad 9 10 11 15 18 19 20 21 22 23 Lastrolle (Doppelrolle) 1 2 3 4 5 antriebsrad 2 3 4 6 7 9 12 16 17 18 19 20 21 22 25 28 30 31 32 33 34 35 37 39 42 43 44 45 46 47 kabelbaum 1 kabelkonfektion 5 6 7 9 vorherige Seite x von y nächste × × × × ×